產品型號:13120
材 料:HDPE
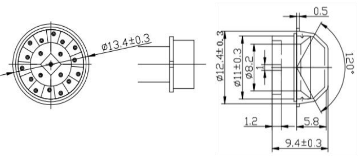
尺 寸:紋路直徑12.5mm
(φ13.8*9.8mm)
焦 距:6mm
感應距離:≥5米
感應角度:120°
顏 色:原色、黑色、乳白色
(可接受顏色定制)
廣泛應用于人體感應開關,報警器,紅外測溫儀和紅外成像等方面??蔀橛脩籼峁┎煌袘嵌?,感應距離,尺寸,測試比。菲涅爾透鏡作用:一是聚焦作用;二是將探測區域內分為若干個明區和暗區,使進入探測區域的移動物體能以溫度變化的形式在PIR(被動紅外線探測器)上產生變化熱釋紅外信號。
小夜燈
櫥柜燈
智能臺燈
型號
Model焦距
Focus角度
Angle距離
Length尺寸
Size單位
Unit材料
Material13120 6mm 120° 5m 如圖 mm HDPE
產品尺寸圖
